Search for Crane Part number

(click on image to open PDF document)
Figures in which the part appears:
Demag (Demag AC )
62-1226 (Demag CC 2800 )
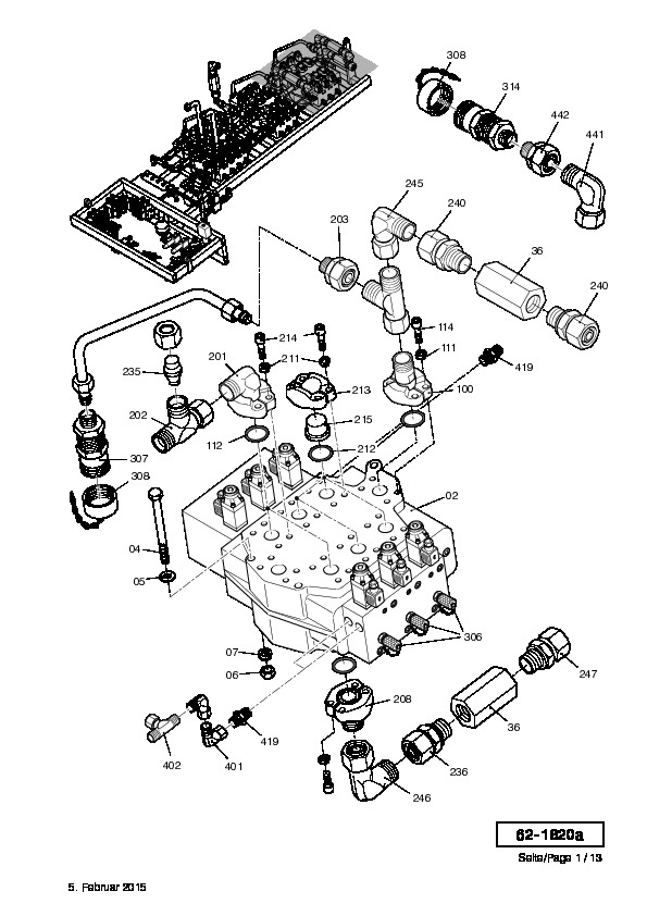
62-1820A (Demag CC 2800 )
62-1905A (Demag CC 2800 )
62-1910 (Demag CC 2800 )
62-1226 (Demag CC 2800 )
62-1820A (Demag CC 2800 )
62-1905A (Demag CC 2800 )
62-1910 (Demag CC 2800 )
Also known as:
51161798, 051161798, 0051161798
51161798, 051161798, 0051161798
Parts for Demag CC 2800, Figure 62-1820A:
Part Number 51161798: PIN SNAP
Part Number 51161798: PIN SNAP
* Selected parts are automatically added to your RFQ list *